Sledování kotelny
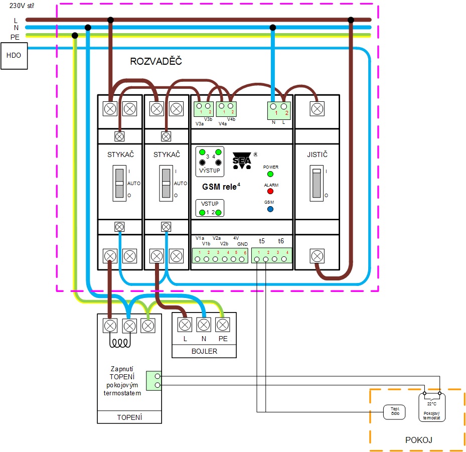
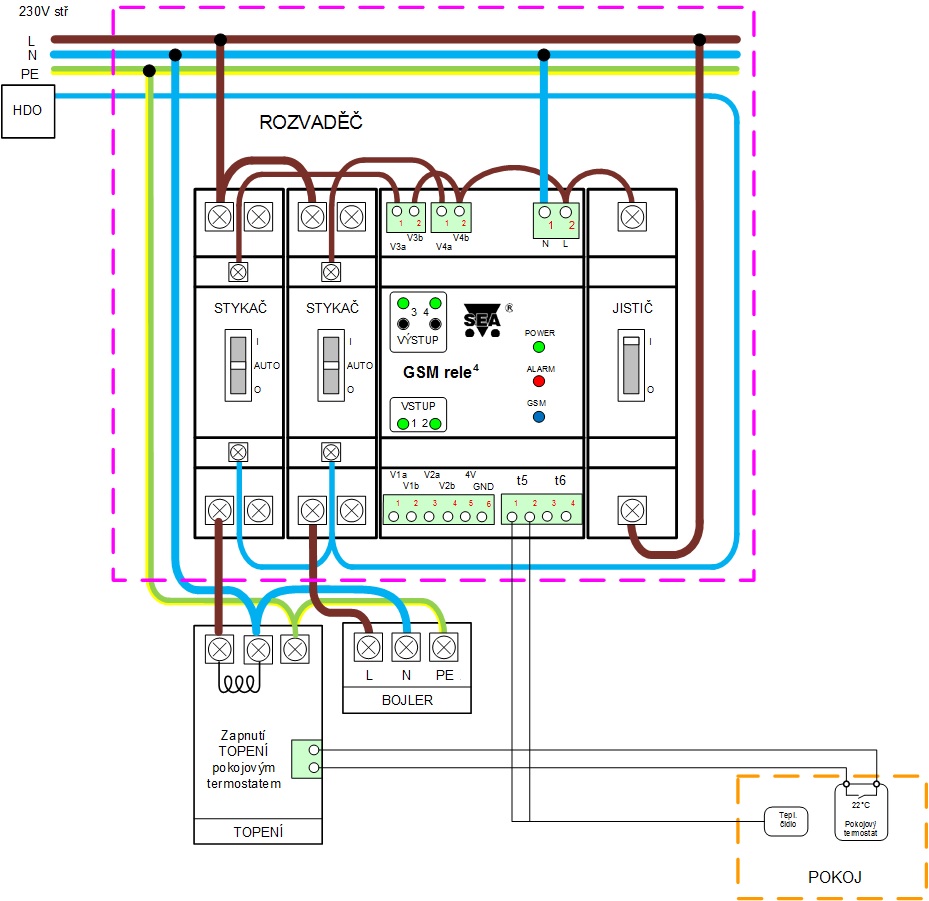
Váš původní prostorový termostat je nastaven na tzv. komfortní teplotu (například 22°C). Teplotní čidlo (např. GSM-C-T2) je zapojené do teplotního vstupu GSM-R5-DIN.
| Příklad | realizace | hlídání |
| kotelny | pomocí | GSM sítě |

Pro vzdálenou správu kotelny použijte GSM-R5-DIN
Zde je příklad pro nejčastěji používané zapojení.
Váš původní prostorový termostat je nastaven na tzv. komfortní teplotu (například 22°C). Teplotní čidlo (např. GSM-C-T2) je zapojené do teplotního vstupu GSM-R5-DIN.
Před odjezdem vypnete tlačítkem V3 topení a V4 bojler (to znamená, že nebude svítit příslušná LED)
Návod k obsluze GSM-R5-T(TI): GSM-R5-T(-TI)_User_Manual_CZ_v1-24
Použití:



