Ovládání topení na dálku pomocí GSM
Ovládání topení pomocí stykačů
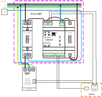
Pro elektrické topení je typické, že do rozvaděče je přiveden signál HDO. Zkratka znamená hromadné dálkové ovládání a jeho zapojení způsobí odpojení topení v době VT (vysoký tarif, který pro přímotopy trvá denně celkem 4 hodiny).
Toto zapojení ovládá topení na silové straně, elektrikář by řekl, že výstupy GSM rele5 jsou zapojeny do série s HDO. Výstupy GSM rele5 ovládají stykače a ty potom ovládají topení a bojler.
Na obrázku jsou jednofázové stykače, ale mohou být samozřejmě použity i třífázové stykače – ty v některých případech mají větší proud cívky. Ověřte, že nepřekročíte povolený proud výstupu GSM rele5 (viz Technické podmínky).
Toto zapojení funguje tak, že teplotní čidlo T5 je schopno regulovat (zapnout / vypnout) výstup V3. To, že se V3 zapíná/vypíná podle T5 je nastaveno v tovární konfiguraci.
V SeaConfiguratoru u výstupu Y3 zvolíte zámrznou teplotu (nastavit například 5°C a zaškrtnout „povolit“). Pokojový termostat nastavíte na komfortní teplotu (například 22°C). Topení na dálku ovládáte povely 1234 Y3 ZAP (topíte na 22°C) a 1234 Y3 VYP (netopíte). Při poklesu pod 5°C sepne výstup Y3 a reguluje na nezámrznou teplotu. Tedy, je-li v SeaConfiguratoru povoleno topit na zámrznou teplotu, nelze topení zrušit povelem 1234 Y3 VYP. Potřebujete-li přesto topení vypnout je možné výstup „zakázat“ příkazem 1234 Y3 !DIS a následně „povolit“ příkazem 1234 Y3 !EN.
Pokud potřebujete topit na vyšší (například na 15°C) než na zámrznou teplotu, můžete použít povel 1234 TEPL 15. Pokud v příkazu bude teplota vyšší (např. 25°C), než je nastavena na pokojovém termostatu, topit se bude nejvýše na hodnotu na něm nastavenou (např. na 22°C).
Výstup V4 je možné využít pro další obdobný okruh topení (v továrním nastavení se výstup Y4 reguluje podle čidla T6) nebo pro bojler, případně pro ovládání vrat prozvoněním a podobně.
Nastavení teplotního alarmu je na regulaci zcela nezávislé (teplotní alarm je nastavení mezí v SeaConfiguratoru, které může posílat SMSky při poklesech nebo překročeních zvolené teploty).
Ovládání komfortní teploty
Pokud potřebujete ovládat i vyšší teplotu, než která je nastavena na pokojovém termostatu, můžete použít zapojení, kde pomocí výstupu Y4 vyřadíte pokojový termostat z funkce.
Příkaz 1234 Y4 VYP tedy předá vládu nad topením termostatu T5. Ten pak bude topit na teplotu, kterou zvolíte. Příkazy jdou poslat i v jedné SMS současně.
Regulace na 25°C 1234 Y4 VYP Y3 TEPL 25 (pokoj. term. se neuplatňuje)
Regulace na 22°C 1234 Y4 ZAP Y3 VYP (pokoj. term. nastaven na 22°C)
Regulace na 7°C 1234 TEPL 7 (pokoj. term. se neuplatňuje)

